
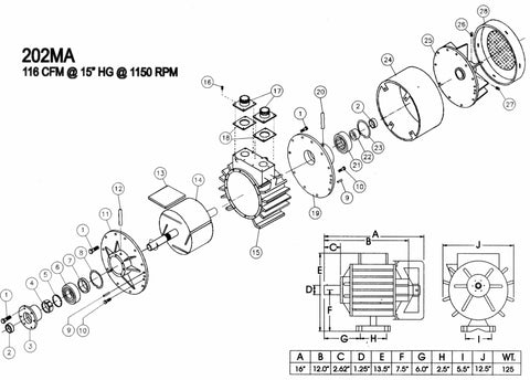
Tête seule pompe vacuum 202MAFTS 60CFM 1140RPM "FLOOD" CCW 4 VANE 2021-002 (Pièces)
Pièce pour pompe modèle 202MAFTS 2021-002
1 BOULON DE COUVERCLE #1000001 #1000-0012 JOINT D'ÉTANCHÉITÉ A L'HUILE #3020010 #3020-010
3 BOUCHON DE ROULEMENT #3020023 #3020-023
4 ECROU QUI BARRE #3020022 #3020-022
5 RONDELLE QUI BARRE #3020021 #3020-021
6 ROULEMENT A BILLE #3020020 #3020-020
7 RONDELLE D'ESPACEMENT #3020018 #3020-018
8 ANNEAU DE RETENUE INTERNE #3020019 #3020-019
9 TIGE TAPER AJUSTÉ #1000003 #1000-003
10 BOULON DE COUVERCLE #1000002 #1000-002
11 PLAQUE DU COTÉ DE LA POULIE #3020011 #3020-011
12 TUYAULET 1/4" * 4" #1000075 #1000-075
13 VANE (202MAF) #2021003 #2021-003
14 ROTOR (202MA CCW) STANDARD #2021006 #2021-006
15 ENVELOPPE (202 SERIES) #2020003 #2020-003
16 BOULON 5/16" * 3/4" #1000290 #1000-290
17 ADAPTEUR DE POMPE VACUUM 2" (ENTREE)(T) #01280088
17 ADAPTEUR DE POMPE VACUUM 2" (SORTIE) #01280124
18 JOINT D'ADAPTEUR 2" #1000035 #1000-035
19 PLAQUE COTÉ OPPOSÉ À LA POULIE #3020006 #3020-006
20 TUYAULET 1/4" NPT X 41/2" #1000143 #1000-143
21 ROULEMENT À ROULEAU #3020008 #3020-008
22 PARTIE INTERNE DE ROULEMENT À ROULEAU #3030009 #3030-009
23 ANNEAU DE RETENUE INTERNE #3020012 #3030-012
24 GARDE DE VENTILATEUR #3020013 #3020-013
25 VENTILATEUR #3020025 #3020-025
26 BARRURE DE VENTILATEUR 1/4" * 1/2" #1000228 #1000-228
27 BARRURE DE VENTILATEUR 1/4" * 1/4" #1000229 #1000-229
28 COUVERCLE DE VENTILATEUR #3020014 #3020-014
Toutes les pièces sont unitaire et doivent être commandé séparément
Vous aimeriez aussi
Nous vous recommandons également